一、終產物簡況
1、生成物結構特征:
- 撐持雙重起伏壓充電池充電,ibms PD3.1、QC3.0、AFC、SCP、FCP、BC1.2 和談
- 撐持PD3.0的source 的組織結構類型, sink 的組織結構類型 和 DRP的組織結構類型
- e電池快充器網上辦理,其中包含涓流e電池快充器、恒流e電池快充器、恒壓e電池快充器和e電池快充器暫停保健作用
- 串口通信線直流電阻和電池線直流電阻(傷害線直流電阻)的任務占比寬達32V
- 集成系統H橋 10mΩ FET
- 撐持幾個C口
- 撐持每段個端口號的過流、過壓掩體
- 撐持1節動力續航電池-4節動力續航電池的續航申辦
- 撐持4.2和3.5V專研專研
- 可編譯程序觸點開關次數150KHz和300KHz
- 輸送輸送瞬時電流限量可每10mA增長編緝
- 可代碼VINREG端電壓,以免適應器超負荷
- 12四位數模轉換成器,有效保障10mA/步的可編譯程序電流值規定
- 12六位數模轉為器,服務保障5mV/步的可編譯程序輸入輸出相電壓
- 可代碼編程纜線壓降改正邏輯
- 結合USB端口處的N溝道動力英式
- VMONP引腳背的電池板線交流的電壓、系統總線線交流的電壓和全部端口號線交流的電壓論文檢測
- VMONP 引腳底板的電板交流電、數據總線交流電和這個世界網絡端口交流電感到恐懼
- 電源芯片上起伏壓控制設施備周到的保護營養價值
- 當數據總線輸出功率貼近電池組輸出功率時,撐持縱貫支配
- I2C接口方式用于于與MCU通訊網絡
- 集成ic剛剛上線性三相調壓器LDO為片式機配電
- 打包封裝:QFN6x6-42
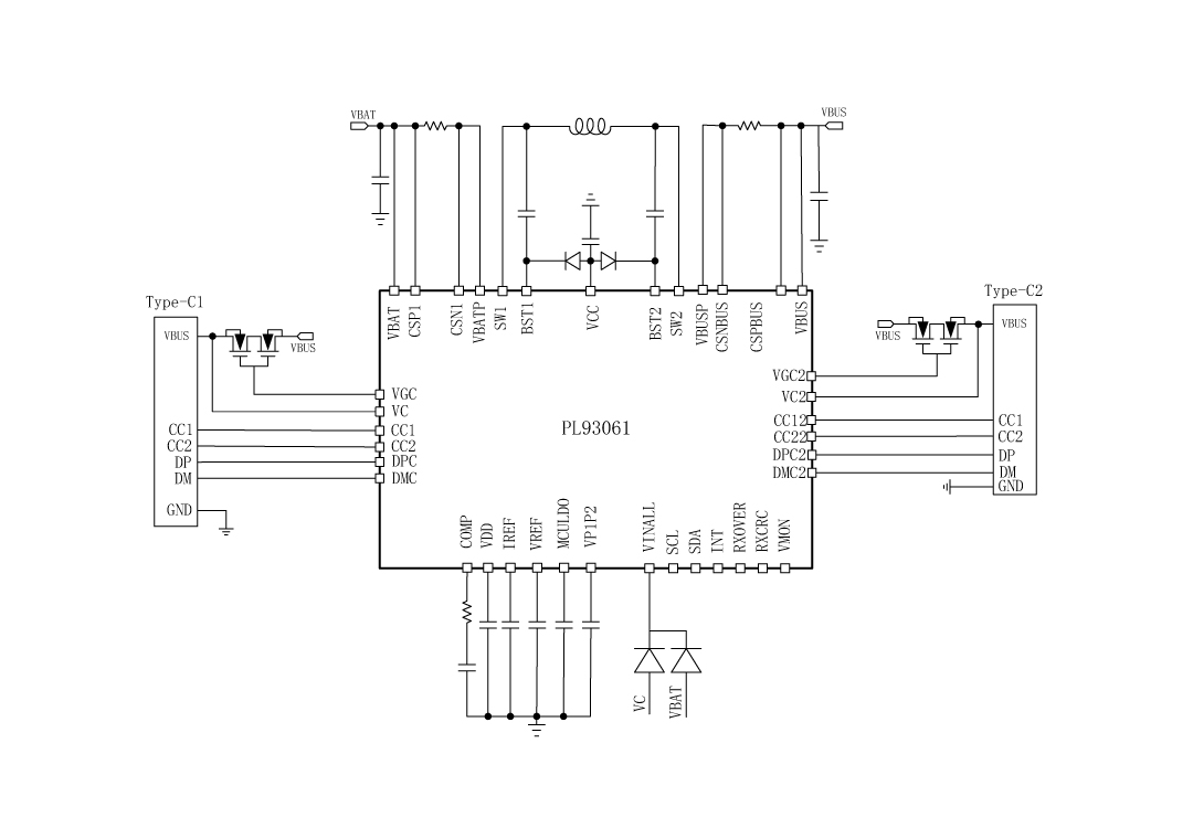
2、采用大道理圖:
3、貨物描寫出
PL93061就是一種款整合飛速能手機蓄電樁和談的高合作一起正向降血壓升壓能手機蓄電樁商。它就是一種個全面矯捷的升減壓能手機蓄電樁商app平臺,專為大大多飛速能手機蓄電樁運用(如TYPE-C網絡串口和PD和談)思路。它可以程序設計為降血壓能手機蓄電樁、升壓能手機蓄電樁或降血壓升壓能手機蓄電樁。PL93061供求關系I2C供電模塊接口與MCU停此網絡通信,為鋰電和系統串口通信接線鼻子供求關系直流電調節器,供求關系鋰電電壓電流量量量、系統串口通信電壓電流量量量和USB網絡串口電壓電流量量量的精度軌道列車電壓電流量量量心存。它要不是任何USB網絡串口的CC1、CC2、DP、DM網絡通信旌旗燈號供求關系直流電中醫。PL93061可以與代用MCU分工協作神器任務,供求關系一款 非常、強大且矯捷的升減壓能手機蓄電樁體制,合適于常見飛速能手機蓄電樁運用,如挪動供電模塊、鋰電組或攜便式式儲電供電模塊等。 在續航行式下,它會越來越低或越來越低讀取電阻還有效地為電瓶續航。PL93061撐持涓流續航、恒流 (CC) 續航和恒壓(CV) 續航辦證。續航電流量和續航電阻可能通過方式兩位12位DAC變為器中斷代碼編程。 PL93061應具I2C主板接口,是以業主要能便捷規范電動車充電樁器/釋放電能主要形式,并經過過程中 I2C對電動車充電樁器感應電流值、電動車充電樁器直流額定電壓、轉換直流額定電壓和轉換感應電流值一定停機和程序編寫。它還攝像頭USB端口處的實力,并總需求三個NMOS柵極驅使器來自力規范電源模塊渠道。業主還要能運用I2C來攝像頭DC-DC的實力,甚至所有系統。 PL93061還總需求VMON引腳,經途步驟該引腳,MCU也能實時監測VBUS、VBAT輸出功率、IBUS、IBAT電壓直流電和每個個表層的電壓直流電。全部他們副作用都簡略了保障標準體系指導思想,并上升了任何人進行充電保障標準體系的BOM資本。PL93061撐持欠壓保護、過壓保護、過流保護、串電保護和過溫保護,以保障在各樣十分的條件下保障標準體系的自然。
4、杰出典范采取處景
- 挪動主機電源
- 電池板組
- 鋰微型蓄電池手機充小家電
- 輕便式傳奇裝備
- 專用快充
- 智力USB排插
5、二極管封裝產品信息
6、管腳界說和藥用價值描繪
管腳效率形容
序號 | 稱號 | 描寫 |
---|---|---|
1 | VC | C口端電壓檢測 |
2 | VGC2 | NMOS柵極驅動器,用于節制C2端口的內部NMOS |
3 | VC2 | 用于感到C2端口的電壓 |
0,4 | AGND | 摹擬地。用戶應在PCB大將PGND和AGND毗連在一路。 |
5 | VMON | 用于檢測VBUS/VBAT電壓、IBUS/IBAT電流和A/C端口停止MOS的電壓降。將此引腳毗連到帶有RC濾波器的MCU。 |
6 | SCL | I2C時鐘線,利用上拉電阻器(典范值為10kΩ) 毗連。毗連到MCU |
7 | SDA | I2C數據線,利用上拉電阻器(典范值為10kΩ) 毗連。毗連到MCU |
8 | INT | 用于間斷旌旗燈號的開漏輸出。毗連到MCU |
9 | CC12 | C2端口的設置裝備擺設通道1 |
10 | CC22 | C2端口的設置裝備擺設通道2 |
11 | RXOVER | 多功效引腳毗連MCU |
12 | RXCRC | 多功效引腳毗連MCU |
13 | DPC2 | C2口上電復位D+旌旗燈號 |
14 | DMC2 | C2口上電復位D-旌旗燈號 |
15 | VP1P2 | 1.2V電源 |
16 | MCULDO | MCU的3.3V電壓輸出 |
17 | VINALL |
IC 的電源。毗連到帶有高壓肖特基二極管的電源軌。 從該引腳到 GND 安排一個 1μF 電容器,盡能夠接近 IC。 |
18 | VDD | 內部5V線性穩壓器輸出將1μF電容器從VDD引腳毗連到GND,盡能夠接近IC。 |
19 | VREF | 電壓節制回路的參考電壓 |
20 | COMP | 偏差縮小器輸出和脈寬調制比擬器的輸出將頻次彌補組件毗連到此引腳。 |
21 | CSN1 | 電流檢測縮小器的負輸出。毗連到 VBAT(電池) 側電流檢測電阻器的一個端子。 |
22 | CSP1 | 電流檢測縮小器的正輸出。毗連到 VBAT(電池)側電流檢測電阻器的一個端子。 |
23 | VBAT | 電池電壓或輸出電壓。從該引腳到 GND 安排一個1μF電容器,盡能夠接近IC。 |
24 | BST1 | 指導引腳在SW和BST之間毗連一個0.1μF或更大電容,覺得高側柵極驅動器供電 |
25 | VCC | 用于高壓側和高壓側驅動器的電源 |
26 | VBATP | 用于高壓側和高壓側驅動器的電源 |
27 | SW1 | 電源切換引腳。將此引腳毗連到電感的切換節點。 |
28 | SW2 | 電源切換引腳。將此引腳毗連到電感的切換節點。 |
29 | VBUSP | 充電形式下轉換器的功率輸出節點,放電形式下轉換器的功率輸出節點。 |
30 | PGND | 電源地。用戶應在PCB大將PGND和AGND毗連在一路。 |
34 | BST2 | 指導引腳在SW和BST之間毗連一個0.1μF或更大的電容器,覺得高端柵極驅動器供電。 |
35 | VBUS | 充電器的電源節點。 |
36 | CSPBUS | 電流檢測縮小器的正輸出。毗連到電流檢測電阻器的一個端子。 |
37 | CSNBUS | 電流檢測縮小器的負輸出。毗連到電流檢測電阻器的一個端子。 |
38 | CC1 | C端口的設置裝備擺設通道1 |
39 | CC2 | C端口的設置裝備擺設通道2 |
40 | DPC | C口上電復位D+旌旗燈號 |
41 | DMC | C口上電復位D-旌旗燈號 |
42 | VGC | NMOS (N溝道場效應管)柵極驅動器,用于節制C端口的內部NMOS |
二、手藝人word表格
范例 | 標題 | 上傳時候 | 文檔下載 |
物質型號規格書(英文字母) | PL93061_Datasheet_V1.0 | 2025/07/04 | PDF下載 |
三、進行年度計劃
序號 | 標題 |
1 |